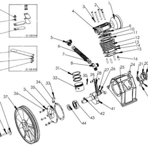
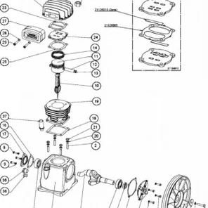
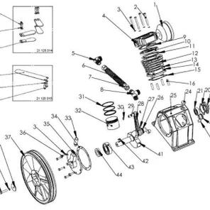
Запчасти для компрессора LB75 Remeza (Aircast)По умолчанию3150 ₽Фильтр воздушный в сбореФильтр воздушный в сборе 21175003 для поршневого блока LB75Заказать420 ₽Сапун M16х1,5 ммСапун M16х1,5 мм 21166001 для поршневого блока LH75Заказать470 ₽Картридж фильтра воздушного D.66x62 ммКартридж фильтра воздушного D.66x62 мм 21177010, 21175007 для поршневого блока LB75Заказать6584 ₽Головка цилиндраГоловка цилиндра 21123004 для поршневого блока LB75ЗаказатьПереходник (L) ZG3/4"хG3/4"Переходник (L) ZG3/4"хG3/4" 21173002 для поршневого блока LB75Заказать593 ₽Прокладка плиты клапаннойПрокладка плиты клапанной (верхняя) 21154003 для поршневого блока LB75Заказать4817 ₽Клапанная группаКлапанная группа 21124019, 21124004 для поршневого блока LB75Заказать1609 ₽Пластина клапанная (большая)Пластина клапанная (большая) 21125026, 21125015 для поршневого блока LB75Заказать871 ₽Пластина клапанная (малая)Пластина клапанная (малая) 21125014 для поршневого блока LB75Заказать593 ₽Прокладка плиты клапанной (нижняя)Прокладка плиты клапанной (нижняя) 21151005 для поршневого блока LB75Заказать6487 ₽Цилиндр D.80 ммЦилиндр D.80 мм 21121005 для поршневого блока LB75Заказать593 ₽Прокладка цилиндр-картерПрокладка цилиндр-картер 21153003 для поршневого блока LB75Заказать1853 ₽Комплект колец поршневых D.80 ммКомплект колец поршневых D.80 мм 21145004 для поршневого блока LB75Заказать99 ₽Кольцо стопорное D.15 ммКольцо стопорное D.15 мм 21144003 для поршневого блока LB75Заказать4446 ₽Поршень D.80 ммПоршень D.80 мм 21141004 для поршневого блока LB75Заказать717 ₽Палец поршневой D.15x70 ммПалец поршневой D.15x70 мм 21143004 для поршневого блока LB75Заказать3335 ₽Шатун боковой D.15хD.32х137 ммШатун боковой D.15хD.32х137 мм 21132007 для поршневого блока LB75Заказать3335 ₽Шатун центральный D.15хD.32х137 ммШатун центральный D.15хD.32х137 мм 21132008 для поршневого блока LB75Заказать1263 ₽Крышка задняяКрышка задняя 21112003 для поршневого блока LB75Заказать223 ₽Прокладка крышки заднейПрокладка крышки задней 21155001 для поршневого блока LB75ЗаказатьПодшипник шариковый 6304-2RSПодшипник шариковый 6304-2RS 21134002 для поршневого блока LB75Заказать3708 ₽Радиатор воздушный D.19x260 ммРадиатор воздушный D.19x260 мм 21171004 для поршневого блока LB75ЗаказатьПереходник (T) ZG3/4"-2хG3/4", 180 гр.Переходник (T) ZG3/4"-2хG3/4", 180 гр. 21174004 для поршневого блока LB75Заказать964 ₽Маслоуказатель G3/4"Маслоуказатель G3/4" 21164004 для поршневого блока LB75Заказать297 ₽Пробка залива масла M16х3 ммПробка залива масла M16х3 мм 21167002 для поршневого блока LB75ЗаказатьКартерКартер 21111021 для поршневого блока LB75Заказать124 ₽Кольцо пружинное плоское D.30 ммКольцо пружинное плоское D.30 мм 21146004 для поршневого блока LB75Заказать124 ₽Кольцо пружинное плоское D.30х44х1,5 ммКольцо пружинное плоское D.30х44х1,5 мм 21146003, 11121009 для поршневого блока LB75Заказать9312 ₽КоленвалКоленвал 21131007 для поршневого блока LB75ЗаказатьШпонка 5x19 ммШпонка 5x19 мм 21136001 для поршневого блока LB75ЗаказатьПодшипник 6307 (роликовый 30307)Подшипник 6307 (роликовый 30307) 21134006 для поршневого блока LB75Заказать593 ₽Прокладка крышки передней 3080Прокладка крышки передней 3080 21152005 для поршневого блока LB75Заказать5187 ₽Крышка передняяКрышка передняя 21113005 для поршневого блока LB75Заказать13969 ₽Шкив D.368 ммШкив D.368 мм 21212004 для поршневого блока LB75Заказать1066 ₽трубка пластиковая 1 метр Rilsan 6x4трубка пластиковая 1 метр Rilsan 6x4 для LB75Заказать445 ₽Сальник 35x56x12 ммСальник 35x56x12 мм 21161005 для поршневого блока LB75Заказать
470 ₽Картридж фильтра воздушного D.66x62 ммКартридж фильтра воздушного D.66x62 мм 21177010, 21175007 для поршневого блока LB75Заказать
593 ₽Прокладка плиты клапаннойПрокладка плиты клапанной (верхняя) 21154003 для поршневого блока LB75Заказать
1609 ₽Пластина клапанная (большая)Пластина клапанная (большая) 21125026, 21125015 для поршневого блока LB75Заказать
593 ₽Прокладка плиты клапанной (нижняя)Прокладка плиты клапанной (нижняя) 21151005 для поршневого блока LB75Заказать
1853 ₽Комплект колец поршневых D.80 ммКомплект колец поршневых D.80 мм 21145004 для поршневого блока LB75Заказать
3335 ₽Шатун боковой D.15хD.32х137 ммШатун боковой D.15хD.32х137 мм 21132007 для поршневого блока LB75Заказать
3335 ₽Шатун центральный D.15хD.32х137 ммШатун центральный D.15хD.32х137 мм 21132008 для поршневого блока LB75Заказать
3708 ₽Радиатор воздушный D.19x260 ммРадиатор воздушный D.19x260 мм 21171004 для поршневого блока LB75Заказать
Переходник (T) ZG3/4"-2хG3/4", 180 гр.Переходник (T) ZG3/4"-2хG3/4", 180 гр. 21174004 для поршневого блока LB75Заказать
297 ₽Пробка залива масла M16х3 ммПробка залива масла M16х3 мм 21167002 для поршневого блока LB75Заказать
124 ₽Кольцо пружинное плоское D.30 ммКольцо пружинное плоское D.30 мм 21146004 для поршневого блока LB75Заказать
124 ₽Кольцо пружинное плоское D.30х44х1,5 ммКольцо пружинное плоское D.30х44х1,5 мм 21146003, 11121009 для поршневого блока LB75Заказать
Подшипник 6307 (роликовый 30307)Подшипник 6307 (роликовый 30307) 21134006 для поршневого блока LB75Заказать
593 ₽Прокладка крышки передней 3080Прокладка крышки передней 3080 21152005 для поршневого блока LB75Заказать