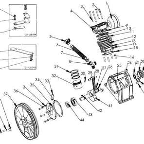
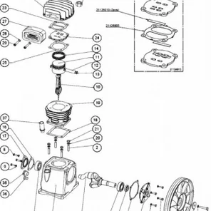
Запчасти для компрессора LB50 Remeza (Aircast)По умолчанию3150 ₽Фильтр воздушный в сбореФильтр воздушный в сборе 21175003 для поршневого блока LB50Купить470 ₽Картридж фильтра воздушного D.66x62 ммКартридж фильтра воздушного D.66x62 мм 21177010 для поршневого блока LB50Купить6584 ₽Головка цилиндраГоловка цилиндра 21123004 для поршневого блока LB50КупитьПереходник (L) ZG3/4"хG3/4"Переходник (L) ZG3/4"хG3/4" 21173002 для поршневого блока LB50Купить3998 ₽Радиатор воздушный D.19x280 ммРадиатор воздушный D.19x280 мм 21171003 для поршневого блока LB50КупитьПереходник (T) ZG3/4"-2хG3/4", 110 гр.Переходник (T) ZG3/4"-2хG3/4", 110 гр. 21174002 для поршневого блока LB50Купить593 ₽Прокладка плиты клапанной (верхняя)Прокладка плиты клапанной (верхняя) 21154003 для поршневого блока LB50КупитьКлапанная группаКлапанная группа 21124019 для поршневого блока LB50Купить1609 ₽Пластина клапанная (большая)Пластина клапанная (большая) LB50 21125026 для поршневого блока LB50Купить871 ₽Пластина клапанная (малая)Пластина клапанная (малая) 21125014 для поршневого блока LB50Купить593 ₽Прокладка плиты клапанной (нижняя)Прокладка плиты клапанной (нижняя) 21151005 для поршневого блока LB50Купить6487 ₽Цилиндр D.80 ммЦилиндр D.80 мм 21121005 для поршневого блока LB50Купить593 ₽Прокладка цилиндр-картерПрокладка цилиндр-картер 21153003 для поршневого блока LB50Купить1263 ₽Крышка задняяКрышка задняя 21112003 для поршневого блока LB50Купить223 ₽Прокладка крышки заднейПрокладка крышки задней 21155001 для поршневого блока LB50КупитьПодшипник шариковый 6304-2RSПодшипник шариковый 6304-2RS 21134002 для поршневого блока LB50Купить964 ₽Маслоуказатель G3/4"Маслоуказатель G3/4" 21164004 для поршневого блока LB50Купить297 ₽Пробка слива масла Z3/8"Пробка слива масла Z3/8" 21169003 для поршневого блока LB50Купить297 ₽Пробка залива масла M16х3 ммПробка залива масла M16х3 мм 21167002 для поршневого блока LB50КупитьКартерКартер LB50 21111024 для поршневого блока LB50Купить124 ₽Кольцо пружинное плоское D.30 ммКольцо пружинное плоское D.30 мм 21146004 для поршневого блока LB50Купить124 ₽Кольцо пружинное плоское D.30х44х1,5 ммКольцо пружинное плоское D.30х44х1,5 мм 21146003, 11121009 для поршневого блока LB50Купить3335 ₽Шатун боковой D.15хD.32х137 ммШатун боковой D.15хD.32х137 мм 21132007 для поршневого блока LB50Купить717 ₽Палец поршневой D.15x70 ммПалец поршневой D.15x70 мм 21143004 для поршневого блока LB50Купить99 ₽Кольцо стопорное D.15 ммКольцо стопорное D.15 мм 21144003 для поршневого блока LB50Купить1853 ₽Комплект колец поршневых D.80 ммКомплект колец поршневых D.80 мм 21145004 для поршневого блока LB50Купить3985 ₽Поршень D.80 ммПоршень D.80 мм 21141004 для поршневого блока LB50Купить420 ₽Сапун M16х1,5 ммСапун M16х1,5 мм 21166001 для поршневого блока LB50Купить593 ₽Прокладка крышки передней 3080Прокладка крышки передней 3080 21152005 для поршневого блока LB50Купить5187 ₽Крышка передняяКрышка передняя 21113005 для поршневого блока LB50Купить13969 ₽Шкив D.368 мм A2Шкив D.368 мм A2 21212004 для поршневого блока LB50Купить8510 ₽КоленвалКоленвал 21131006 для поршневого блока LB50КупитьШпонка 5x19 ммШпонка 5x19 мм 21136001 для поршневого блока LB50КупитьПодшипник 6307 (роликовый 30307)Подшипник 6307 (роликовый 30307) 21134006 для поршневого блока LB50Купить445 ₽Сальник 35x56x12 ммСальник 35x56x12 мм 21161005 для поршневого блока LB50Купить1066 ₽Трубка пластиковая 1 метр Rilsan 6x4Трубка соединительная прозрачная 4/6 с увеличенным температурным интервалом до 260°C. Заменяет медную трубку для LB50Купить
470 ₽Картридж фильтра воздушного D.66x62 ммКартридж фильтра воздушного D.66x62 мм 21177010 для поршневого блока LB50Купить
3998 ₽Радиатор воздушный D.19x280 ммРадиатор воздушный D.19x280 мм 21171003 для поршневого блока LB50Купить
Переходник (T) ZG3/4"-2хG3/4", 110 гр.Переходник (T) ZG3/4"-2хG3/4", 110 гр. 21174002 для поршневого блока LB50Купить
593 ₽Прокладка плиты клапанной (верхняя)Прокладка плиты клапанной (верхняя) 21154003 для поршневого блока LB50Купить
1609 ₽Пластина клапанная (большая)Пластина клапанная (большая) LB50 21125026 для поршневого блока LB50Купить
593 ₽Прокладка плиты клапанной (нижняя)Прокладка плиты клапанной (нижняя) 21151005 для поршневого блока LB50Купить
297 ₽Пробка залива масла M16х3 ммПробка залива масла M16х3 мм 21167002 для поршневого блока LB50Купить
124 ₽Кольцо пружинное плоское D.30 ммКольцо пружинное плоское D.30 мм 21146004 для поршневого блока LB50Купить
124 ₽Кольцо пружинное плоское D.30х44х1,5 ммКольцо пружинное плоское D.30х44х1,5 мм 21146003, 11121009 для поршневого блока LB50Купить
3335 ₽Шатун боковой D.15хD.32х137 ммШатун боковой D.15хD.32х137 мм 21132007 для поршневого блока LB50Купить
1853 ₽Комплект колец поршневых D.80 ммКомплект колец поршневых D.80 мм 21145004 для поршневого блока LB50Купить
593 ₽Прокладка крышки передней 3080Прокладка крышки передней 3080 21152005 для поршневого блока LB50Купить
Подшипник 6307 (роликовый 30307)Подшипник 6307 (роликовый 30307) 21134006 для поршневого блока LB50Купить
1066 ₽Трубка пластиковая 1 метр Rilsan 6x4Трубка соединительная прозрачная 4/6 с увеличенным температурным интервалом до 260°C. Заменяет медную трубку для LB50Купить