

Пружинная шайба M8 левая LH-20-3, LB-30-2, L...
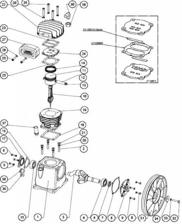
Пружинная шайба M8 левая LH-20-3, LB-30-2, LB-40-3 11124001 для поршневого блока LH20 используется на поршневом компрессоре Remeza (Aircast) LB30.


Пружинная шайба M8 левая LH-20-3, LB-30-2, LB-40-3 11124001 для поршневого блока LH20 используется на поршневом компрессоре Remeza (Aircast) LB30.
Пружинная шайба M8 левая LH-20-3, LB-30-2, LB-40-3 11124001 для поршневого блока LH20 используется на поршневом компрессоре Remeza (Aircast) LB30.